欢迎光临东莞市启平五金电子有限公司!

产品中心
PRODUCTS

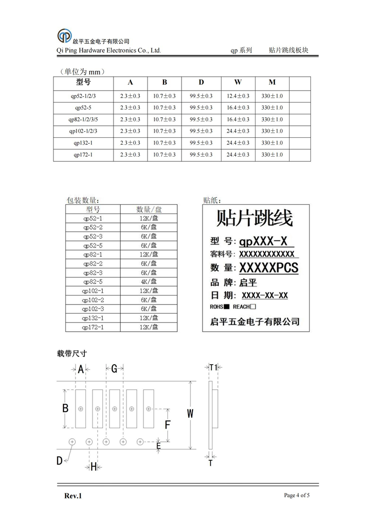
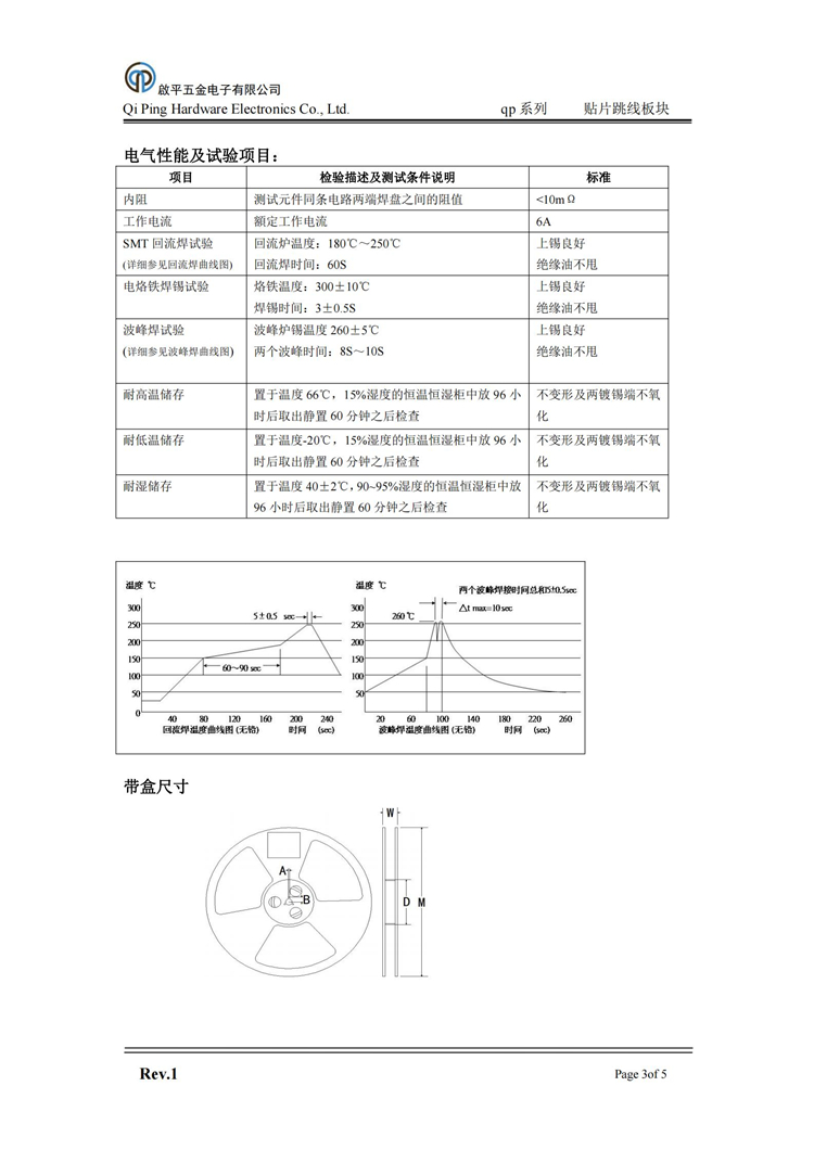
QP52

产品型号:

发布时间:2023-05-11

产品描述:东莞市启平五金电子有限公司

地址:东莞市常平镇卢屋李湖村38号

全国24小时服务热线0769-84359373